QL-08
产品简介
QL系列全向轮(omni wheel)是精密型的轻载90°全向轮,每个从动小轮内嵌入两个滚动轴承,旨在向客户提供高精密度、高品质要求的产品,满足客户的各种精密应用。持续改良的QL系列全向轮,已经实现了从动小轮轴向零间隙,特别适合于各种小型机器人的驱动应用。
产品特性
- 从动小轮轴向零间隙
- 双排多细分设计
- 小轮内嵌双轴承设计
- 特选的优质橡胶
- 表面高温烤漆处理
- 持续改良的QL系列
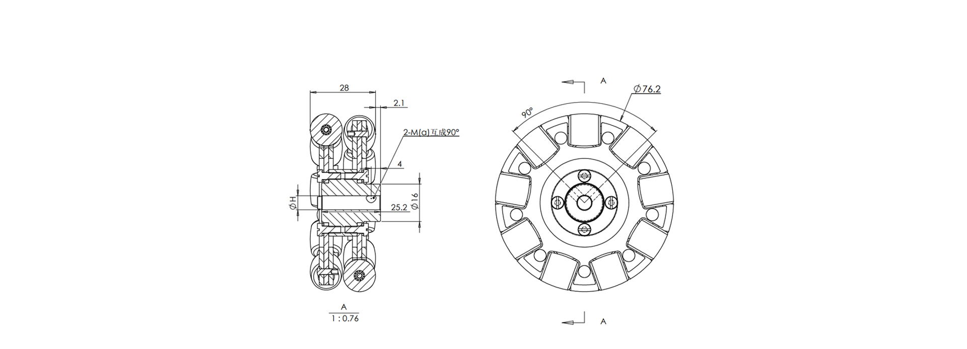
外形尺寸
规格参数
| 外径 | 76.2(3")mm | 宽度 | 28mm |
| 侧轮数 | 18 | 轴承数 | 36 |
| 轴承类型 | 滚动轴承 | 小轮材质 | 橡胶 |
| 轮毂材质 | 铝合金 | 轮毂表面处理 | 双层高温烤漆 |
| 连接形式 | 平键/紧定螺钉 | 典型中心孔 | 4/5/6/8mm |
| 自重 | 140g | 负载能力 | 15Kg |
| 外径 | 76.2(3")mm |
| 侧轮数 | 18 |
| 轴承类型 | 滚动轴承 |
| 轮毂材质 | 铝合金 |
| 连接形式 | 平键/紧定螺钉 |
| 自重 | 140g |
| 宽度 | 28mm |
| 轴承数 | 36 |
| 小轮材质 | 橡胶 |
| 轮毂表面处理 | 双层高温烤漆 |
| 典型中心孔 | 4/5/6/8mm |
| 负载能力 | 15Kg |